
El poder de la documentación eléctrica
Orden, trazabilidad y eficiencia garantizadas
¿Qué es la documentación eléctrica?
La documentación eléctrica es el conjunto de planos, esquemas, listados técnicos y otros documentos esenciales, generalmente elaborados con software tipo CAD, que permiten comprender, construir, mantener y optimizar un sistema eléctrico. Constituye una herramienta clave para asegurar el funcionamiento correcto, la seguridad operativa y la trazabilidad durante todo el ciclo de vida del proyecto.
Documentos más comunes:

Diagramas unifilares
Representan de forma simplificada la conexión entre los distintos componentes eléctricos, mostrando el flujo de energía de manera clara y directa. Son útiles para tener una visión general del sistema.

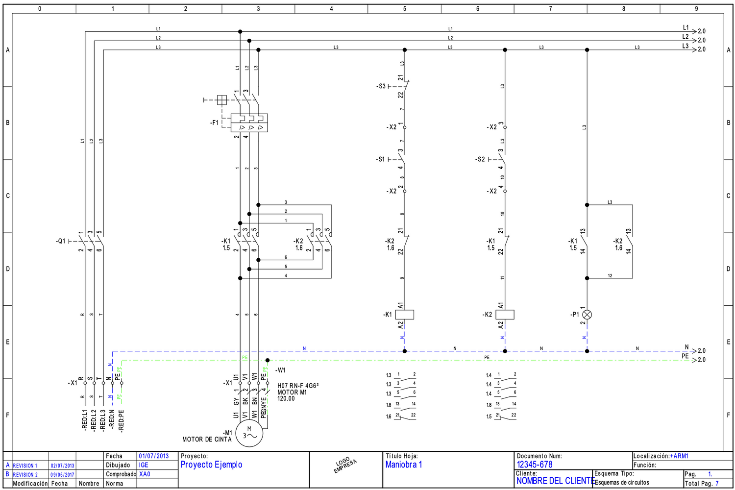
Diagramas multifilares y esquemas de control
Detallan la conexión cable por cable entre los dispositivos. Son fundamentales para tareas de montaje, mantenimiento, automatización y resolución de fallas, ya que muestran cómo se conectan físicamente y lógicamente los elementos del sistema.

Vistas en 2D/3D
Permiten visualizar la distribución y el diseño físico de tableros eléctricos, gabinetes o instalaciones completas en dos o tres dimensiones. Estas vistas facilitan la validación del espacio, la ergonomía y la planificación del montaje.

Planos de instalación
Muestran la ubicación física de los elementos eléctricos en planta, tableros, salas de control, máquinas u otras infraestructuras. Son clave para una instalación ordenada y conforme al diseño.

Listas graficas (Informes)
Incluyen listados detallados de componentes, cables, bornes, repuestos y señales de entrada/salida. Estos documentos apoyan la gestión de materiales, compras, control de calidad y mantenimiento.
Beneficios de contar con documentación:

Optimiza el tiempo y reduce costos
Aunque parece que documentar toma tiempo extra, la realidad es que ahorra muchas horas en el futuro. En proyectos medianos o grandes, una documentación incompleta puede generar pérdidas importantes por errores, tiempos muertos o trabajos mal ejecutados.
La documentación es una guía clara para todos
Un diagrama eléctrico bien elaborado y actualizado permite que cualquier técnico, ingeniero o mantenedor pueda entender rápidamente cómo está compuesto el sistema, sin necesidad de adivinar conexiones o funciones. Esto se vuelve especialmente valioso cuando el personal cambia o cuando hay que intervenir una instalación meses o años después.
Agiliza el mantenimiento y la resolución de fallas
Cuando ocurre una falla, tener un plano actualizado puede reducir significativamente el tiempo de diagnóstico y reparación. En lugar de seguir cables físicamente o hacer pruebas innecesarias, el equipo puede consultar los diagramas y localizar rápidamente componentes, rutas de alimentación o puntos de control.
Facilita las ampliaciones o modificaciones
Si el sistema eléctrico necesita ampliarse o cambiarse, una buena documentación evita que se parta de cero. Permite planificar con precisión las nuevas conexiones, cargas o automatizaciones, respetando la lógica del diseño original.
Asegura el cumplimiento de normativas y estándares
Muchos proyectos deben cumplir con normas eléctricas locales e internacionales. La documentación es parte clave de ese cumplimiento, y puede ser requerida en auditorías, certificaciones o inspecciones técnicas. Tenerla al día no solo demuestra profesionalismo, sino que también reduce riesgos legales o técnicos.